Selasa, 09 November 2010

PENGERTIAN BUS DATA, BUS ALAMAT DAN BUS MEMORI



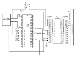
Bus data

Kumpulan konduktor, yang membawa kode-kode instruksi atau data dari mikroprosesor ke unit-unitnya atau sebaliknya, dan memiliki sifat aliran dua arah.
Pada mikroprosesor yang riil, jumlah saluran masukan tidak sama atau terbatas, umumnya jumlah saluran data masukan N sama dengan jumlah saluran data keluaran M. jumlah saluran data dinamakan lebar jalur data (data path width) atau word size suatu mikroprosesor. Bus data digunakan untuk mengirim/menerima data antara komponen - komponen sistem dengan mikroprosesor yang mempunyai saluran data masukan sama dengan saluran data keluaran sebanyak 8 bit. Mikroprosesor ini disebut mikroprosesor 8 bit yang mana saluran data diberi simbol dengan huruf D.


Bus Alamat

Kumpulan konduktor, yang membawa kode-kode alamat dari mikroprosesor ke unit-unitnya, dan memiliki sifat aliran satu arah.
Suatu mikroprosesor ideal dianggap mempunyai memori dalam (internal Memory) yang tidak terbatas, tetapi kenyataanya mikroprosesor mempunyai jumlah memori yang terbatas untuk menyimpan data dan program. Proses penyimpanan informasi dalam memori disebut penulisan memori dan proses pengambilan informasi dari memori disebut pembacaan memori.
Informasi (data) dapat disimpan dalam memori pada sejumlah lokasi memori. Setiap lokasi memori ditentukan oleh lebar jalur data mikroprosesor. Ukuran kata memori harus dibuat sama dengan lebar jalur data mikroprosesor. Setiap lokasi memori mempunyai suatu alamat memori yang tertentu. Alamat dinyatakan dengan bilangan hexadecimal. Microprosesor harus memilih alamat yang diinginkan sebelum mikroprosesor melakukan penulisan atau pembacaan pada suatu lokasi memori.



Bus Memori

Memory bus adalah set kabel yang digunakan untuk membawa alamat memori dan data ke dan dari RAM sistem. Bus memori di kebanyakan PC juga berbagi dengan bus prosesor, menghubungkan memori sistem untuk prosesor dan chipset sistem. Memory bus merupakan bagian dari PC hirarki bus, yang berkecepatan tinggi saluran komunikasi yang digunakan dalam komputer untuk mentransfer informasi antara komponen-komponennya. lihat di sini untuk rincian lebih lanjut tentang bus , dan di sini untuk penjelasan dari bus memori dalam kaitannya dengan prosesor , serta spesifik bus memori untuk prosesor yang berbeda .

Memory bus terdiri dari dua bagian: data dan bus alamat. Bus Ketika orang-orang hanya mengacu pada "bus memori" mereka biasanya mengacu pada data bus, yang membawa data memori sebenarnya dalam PC. Bus alamat digunakan untuk memilih alamat memori bahwa data akan datang dari atau pergi ke pada membaca atau menulis.

Semakin lebar bagian data bus, semakin banyak informasi yang dapat ditransmisikan secara bersamaan. data bus umum yang lebih luas berarti kinerja yang lebih tinggi. Kecepatan bus ditentukan oleh kecepatan clock sistem dan merupakan pendorong utama lain kinerja bus. Bandwidth bus data berapa banyak informasi yang dapat mengalir melalui itu, dan merupakan fungsi dari lebar bus (dalam bit) dan kecepatan (dalam MHz). Hal ini dijelaskan secara lebih rinci di sini .

Anda dapat menganggap data bus sebagai jalan raya, lebar adalah jumlah jalur dan kecepatan adalah seberapa cepat mobil bepergian. bandwidth kemudian adalah jumlah lalu lintas jalan raya bisa membawa dalam suatu unit waktu tertentu, yang merupakan fungsi dari seberapa banyak jalur ada dan seberapa cepat mobil bisa mengemudi di dalamnya. bandwidth yang lebih berarti kinerja yang lebih baik - jika dan hanya jika seluruh sistem dapat menggunakan bandwidth yang meningkat.

Lebar bus alamat mengontrol addressability dari memori sistem, yang berapa banyak memori sistem prosesor dapat membaca atau menulis ke. Melanjutkan analogi jalan raya, bus alamat membawa informasi tentang nomor keluar yang berbeda di jalan raya.Semakin lebar bus alamat, semakin banyak jumlah digit bisa keluar, dan keluar lagi yang bisa didukung di jalan raya. Kebanyakan sistem memori dapat mengatasi lebih jauh daripada yang pernah mereka akan menggunakan. Lihat bagian yang menunjukkan lebar bus alamat dan addressability untuk berbagai prosesor


7 komentar:

Purnama mengatakan...

bingung gw na...

Mark Prayer Robinson Sinaga mengatakan...

sama

Ajeng Setoresmi mengatakan...

aku ga jadi baca malah mainan tikus --"

Unknown mengatakan...

bus pengendali gk ada ya...??

Unknown mengatakan...

btw gimana cara mainan tikusnya? :D

Unknown mengatakan...

tikusnya disate dulu

For Nonton Youtube mengatakan...

saya mencium aroma google translate ,, hhe..

Posting Komentar